1. [반전]적분기(Integrator) : 반전증폭기(-R2 + C)
- 출력이 입력신호의 적분형태.
- 반전증폭기 R2자리에 C를 넣었다. (저항 1, 캐패시터 1)
1.1 회로분석
- 입력저항 전류 iR = (Vi / R)
- 가상접지로 인해 ir = ic

- 위의 식을 Vo에 대해 정리하면,

출력은 입력의 적분으로 나타난다. 시간 t(매개변수)에 따라 적분량이 달라진다

- 여기서 RC는 적분 시상수(integral time-constant)라고 한다.
- 1.2 입력에 DC성분이 포함될 경우.
; C가 개방루프로 동작하여(= 적분이 안됨)
=> 출력이 전원전압 근처 -Vmax로 포화됨(입력이 무한대 증폭)
1.2.1 문제해결
C충전 전류를 흘리는 Rf를 병렬로 달아줌. (DC경로 생성)
- DC성분이 축적되지 않고 Rf를 통해 흘러간다.
1.2.2 DC이득

반전증폭기 이득과 같은 형태임을 알 수 있다.
1.2.3 전달함수


WH 주파수 미만만 통과시킴.

1.3 예제

; 구간별로 나눠서 접근해야 한다.
1.3.1 Rf가 없을 때.(DC경로 X)

1ms 이상은 입력 = 0, => 적분해도 0
1.3.2 RF를 달았을 때.(DC경로)

0~1ms : 충전. -100으로 지수함수적으로 증가.
1ms < : 방전. 0으로 지수함수적으로 감소.(1ms 만큼 shift)

2. [반전]미분기 (적분기의 R,C자리 교환)
; 출력전압이 입력전압의 미분형태
- 캐패시터 전류는 아래와 같다.

- 가상접지의 원리를 통해서, ic = iR이다.


- 미분기는 고주파 성분을 잘 통과시킨다.
=> 고주파 잡음의 영향을 많이 받는다.
2.1 예제


- 출력전압은, 입력전압의 미분(기울기)형태
- 입력전압은, 1차식(일정한 기울기)

- 따라서, 일정한 값이 유지되는 출력파형이 된다.
3. 정류기
- Diode의 Cut in 전압 = 0.7[V] 때문에, 이 값보다 큰 입력을 넣어야 한다.

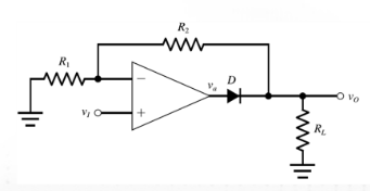
3.1 정밀 반파 정류(반파정류 + OP Amp)
; diode의 cut in(0.7V)의 문제를 해결.
- (+)단자 입력. 위의 회로와 같은 위상을 위해
- OP Amp의 큰 개방회로 이득
=> 입력이 쉽게 diode를 통과함.
- (-)단자. 가상접지로 인해 (+)단자와 같은 전압이 Vo로 바로 출력됨.


Vr은 다이오드 전압.
=> Va = A(Vi - Vo), Vo = Va - Vr
=> 위의 11.59식에서, Aod가 무한대이면, Vo = Vi가 된다.
VI <0 이면, 다이오드가 끊어져서 피드백이 형성되지 않는다
-> 즉, Va = -Vmax로 포화된다.
-> Vi>0으로 바뀔때, 출력변화에 시간이 걸리게 된다.(지연시간)
3.2개선회로.
3.2.1
이득을 갖는 정밀 반파 정류회로.
; 정류와 증폭을 동시에 하고 싶을 때. Gain = 1인 점을 개선.
=> R1,R2를 추가하여 효과를 얻는다.(비반전 증폭기)

=> 여전히, Vi < 0 이면, -Vmax로 포화되고, Vo = 0 이다.

이득을 갖는 정밀 반파 정류회로
3.2.2
고속 정밀 반파정류회로.
; 입력단자를 바꿈.(반전증폭기) + 다이오드 귀환 추가.
-> -Vmax => -Vr로 낮춤.



- 이득 정밀 반파정류에서 (-)단자로 입력을 변경하여 사용한다.
- 반전 동작이므로, Vi < 0 에서 동작하게 된다.
- Vi >0 에서. Va<0이고. D1을 통해 피드백이 걸린다.
Va는 -0.7V로 유지된다.
- D2는 Reverse라서 여전히 Vo = 0.
출처 : KOCW. 전자회로. 영남대학교. 김성원
http://contents.kocw.or.kr/contents4/html/2013/Yeungnam/KimSungwon/13-2/default.htm
'전공지식정리 > 전자회로' 카테고리의 다른 글
| 연산증폭기 6. 특성파라미터(오프셋, 입력바이어스), 고장진단, 설계 (0) | 2020.12.07 |
|---|---|
| 연산증폭기 5. 특성 파라미터(주파수특성. slew rate) (0) | 2020.12.07 |
| 연산증폭기(OP Amp2). 반전/비반전 증폭 (0) | 2020.12.07 |
| 연산증폭기(OP Amp) 1. 개요 (0) | 2020.12.07 |
| FET4(JFET의 DC해석, FET의 AC해석) (0) | 2020.12.07 |