플립플롭은 래치의 응용이라고 생각해도 무방하다.
엄밀한 정의는 " '엣지트리거'를 사용하는 1비트 기억 순차회로이다."
1. SR F-F(SR래치 + 클록)
SR래치의 응용이다. SR래치에 클록신호를 적용했다.
입력 S,R이 클록 주기에 맞춰 입력되도록
S,R각각을 클록과 연산한 뒤에 SR래치에 입력되도록 만들었다.
1.1 NOR래치의 경우
S,R을 CP(클록)과 AND한뒤 NOR SR래치에 입력된다.

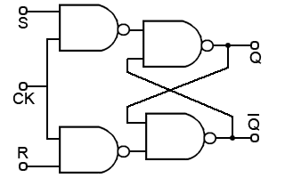
1.2 NAND래치의 경우
S,R을 CP(클록)과 NAND한 뒤에 NAND SR래치에 입력되도록 하였다.

1.1, 1.2는 NOR래치의 입력단이 RS, NAND래치의 입력단이 S'R'이 되도록 앞단을 만들면 어떻게 해야하나를 생각해 보면 된다.
생각해보면 SCP, RCP 를 만들어야 하므로 AND,
S'CP' R'CP'을 만들어야하므로 NAND인 당연한 원리가 된다.
2.1 D - FF( SR F-F + 입력 묶기) == SR래치 + 클록 + 입력묶기(XOR)
SR F-F의 첫번째 응용이다.(SR래치 아님)
입력을 SR의 형태로 사용하다 보면, 11이 들어올 때 부정(00)의 출력을 갖는 이상한 상태가 되어버린다. 이를 방지하기 위해 SR을 D와 D'으로 만들었다.
즉, XOR형태로 만들어서 Set과 Reset 두 입력만 존재하게 만든것이다.
D = 1 이면 Q(t+1) = 1
D= 0 이면 Q(t+1) = 0 이 나오므로, buffer의 기능을 수행한다.
따라서 Delay F-F 줄여서 D F-F로 명명했다.

NOR SR래치를 이용한 D F/F이다. 그림을 보면, 입력을 D로 묶고, 하나는 NOT에 연결하여 XOR의 값만 출력하게 만들었다.
2.2 JK F-F (SR F-F + 토글)
SR F-F의 두번째 응용이다.
앞서 말한 D F-F는 입력을 XOR로 만들어서 11 입력을 제거했다.
JK F-F는 11입력시 Toggle기능을 부정(00)상태의 솔루션으로 제시한다.
이를 위해서 SR F-F의 현재상태를 입력변수에 추가시킨다.
[왜냐하면 현재상태를 입력받아야 toggle을 수행하니까]
따라서 3 input( J or K, Clk, Q(t) or Q'(t)) NAND(or AND)로 입력이 만들어진다.

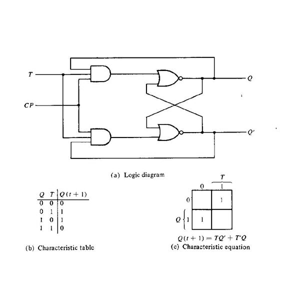
3. T F-F(JK F-F + 동일한 입력)
JK F-F의 응용형태이다.
입력 J,K 를 묶어서 입력이 00 or 11만 가질 수 있도록 하였다.
(J=K=T=0 or 1)
이를 통해, 출력은 현재상태를 유지하거나 toggle 두가지 상태만 갖는다.
T=1 때 toggle 되고 T=0때 현재상태를 유지한다.
SR래치 => SR플립플롭 => 1. D F-F(XOR)
=> 2. JK F-F(toggle) => T-FF
의 응용 관계를 꼭 기억하도록 하자.

그림, 표 출처 : 위키피디아. "플립플롭"
https://ko.wikipedia.org/wiki/%ED%94%8C%EB%A6%BD%ED%94%8C%EB%A1%AD
SR-FF(NAND) 그림 출처.
https://www.quora.com/Which-flip-flop-has-race-conditions
JK-F/F 그림 출처.
https://www.electronics-tutorials.ws/sequential/seq_2.html
'전공지식정리 > 논리회로' 카테고리의 다른 글
| 동기순서논리회로 intro (0) | 2020.12.06 |
|---|---|
| 비동기입력과 active low, high (0) | 2020.12.06 |
| 클록형 => 엣지트리거형 (0) | 2020.12.06 |
| 래치(latch) (0) | 2020.12.06 |
| 순차회로 구분하는 법 (0) | 2020.12.06 |